Using VAL Avionics Radios with MGL EFISs

Using VAL Avionics Radios with MGL EFISs

This is a placeholder article for a future more complete version.

This article contains just a couple of points, hopefully to save a little time in wiring these radios up.

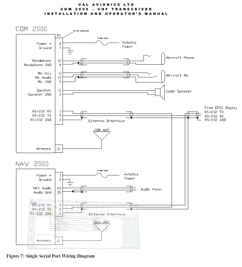
1. The pin out of the older COM2000 manuals is WRONG for the serial port pins. Please refer to the very latest manual which should now be online. I believe the manual for the C2KR (remote radio) is correct. www.valavionics.com 




2. VAL has added a unique way to 'chain' the serial ports of the COM & NAV together so as to use a single serial port and give the 'appearance' of being an SL-30.