SP-10 Used For Pitch Trim with Ray Allen trim servo motor

SP-10 Used For Pitch Trim with Ray Allen trim servo motor

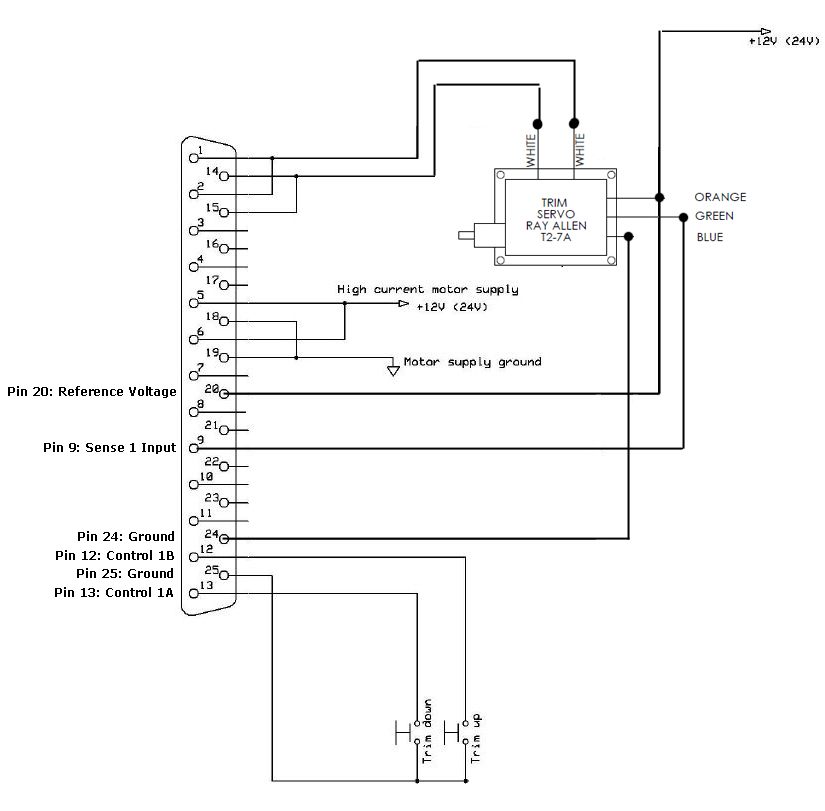
Below is a schematic diagram of an SP-10 used for Pitch Trim only with a Ray Allen servo. When used with an MGL Avionics iEFIS and MGL Avionics autopilot servos, this setup will allow auto-trim of the aircraft when under autopilot control.



    • Related Articles

    • Connecting a Ray Allen RAC Trim or Flap Sensor to EFIS

      Attached is the manual for attaching a Ray Allen Trim or Flap Servo Sensor to the IOX for display on an Enigma, Voyager or Odyssey EFIS ​
    • SP-10 Trim and Flap Controller Manual

      The manual for the MGL Avionics SP-10 Trim and Flap controller is attached. Each SP-10 can handle 2 functions (for example pitch and roll trim, or pitch trim and flaps).
    • SP-9 AHRS Manual

      Attached is the manual for the SP-9 AHRS Sensor. SP-9 AHRS High grade ring gyro based AHRS and built in SP-6 magnetometer for magnetic heading. The SP-9 employs latest micro-machined ring gyroscope technology for performance that approaches FOG class ...
    • MGL Avionics Servo Installation Manual

      MGL Avionics Servo Installation Manual ​
    • Servo Communications Protocol

      MGL Avionics Servo Communications Protocol for OEM and Third Party applications